簡介:工業機器人的保養 一、日常保養 1、檢查設備的外表有沒有灰塵附著 2、外部電纜磨損,壓損,各接頭是否固定良好,有無松動 3、冷卻風扇是否正常工作 4、各操作按鈕支動作是否正常 5、機器人動作是否正常 二、三個月保養(包括日常保養) 1、各接線端子是否固……
一、日常保養
1、檢查設備的外表有沒有灰塵附著
2、外部電纜磨損,壓損,各接頭是否固定良好,有無松動
3、冷卻風扇是否正常工作
4、各操作按鈕支動作是否正常
5、機器人動作是否正常

二、三個月保養(包括日常保養)
1、各接線端子是否固定良好
2、機器人本體的底座是否固定良好
3、內部有灰塵的清掃
三、一年保養(包括日常\三個月保養)
1、檢查控制箱內部各基板接頭有無松動
2、內部各線有無異常情況(如斷,有無灰塵,各接點情況
3、檢查本體內配線是否斷線
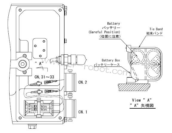
4、機器人的電池電壓是否正常(正常為
5、各軸機器人馬達的剎車是否正常
6、5軸的皮帶輕緊度是否正常
7、4\5\6軸減速機加油機器人專用油
8、各設備的電壓是否正常
四、三年保養(包括日常\三個月\一年保養
1、1\2\3軸減速機更換油(機器人專用油
2、機器人本體電池更換(機器人專用電池) 日常保養三個月擔當保養﹑點檢作業事項由使用者點檢。 年度保養﹑點檢作業事項需由代理商或專業人員點檢﹑調整﹑保養、或是更換。 以下是電池位置圖:
文章來源,
工業機器人維修官網:www.gld-logistics.com